









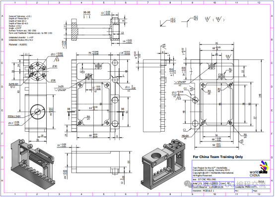
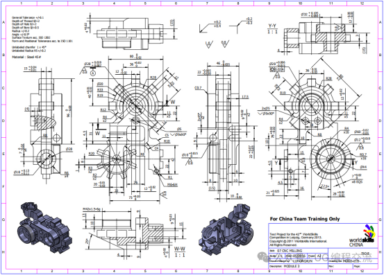
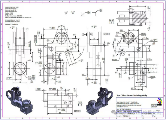
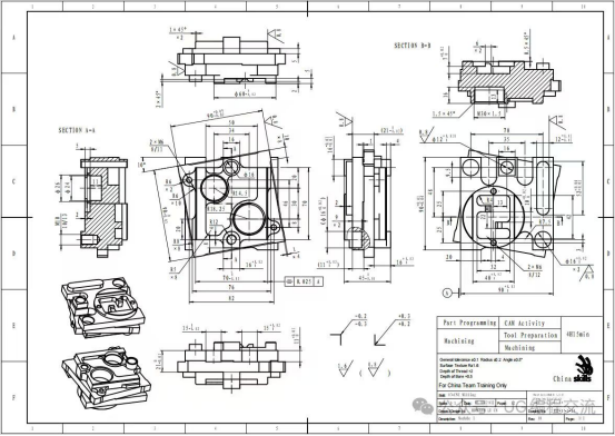
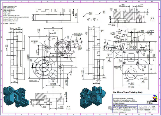
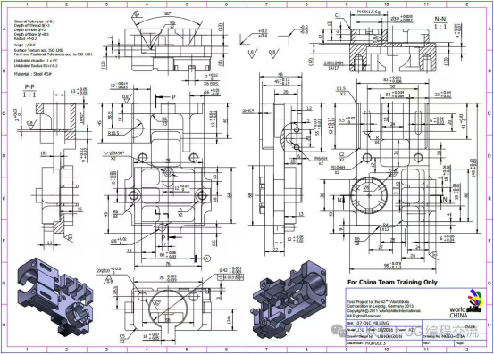
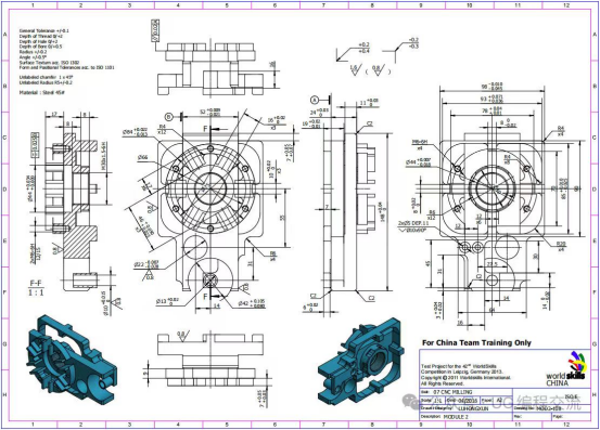
参加CNC数控铣竞赛,新手需具备以下条件:理论与软件基础:掌握机械制图、公差与材料知识,熟练运用一种CAD/CAM软件(如Mastercam、UG)进行建模、编程与后处理,能理解并调整G代码。实操与工艺能力:熟悉数控铣床基本操作、对刀与坐标系设定。具备制定合理加工工艺(工序、刀具、参数)的能力,并能使用游标卡尺、千分尺等量具进行精准检测。比赛策略与软技能:能高效阅读图纸与评分要求,规划最优加工流程。注重团队沟通、临场应变能力与安全意识,并通过持续练习提高熟练度与稳定性。建议从模拟软件训练开始,逐步结合实操,并研读往届赛题。
本文网址:/?article/330.html




